電 話: 0510-85581922
手 機: 15335200825
傳 真: 0510-85582300
郵 箱: info@shikemotor.com
郵 編: 214161
地 址:無錫市濱湖區胡埭工業園北區聯合路10號A1棟
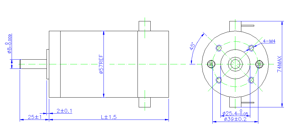
57ZYT系列直流有刷電機
* 57mm機殼直徑,廣泛適用于各類噴繪機、醫療機械以及科學試驗機械中
* 絕緣等級F, 耐高溫155度
* 外置耐高溫刷架,比EBM電機,BUEHLER電機更長的碳刷以及電機壽命
* 獨有的齒槽設計,適用于伺服應用
* 最大徑向負載
* 最大軸向負載
* 可代替進口電機:MCG PITTMAN K-A-G EBM電機 BUEHLER電機
* 廣泛應用于寫真機、噴繪機
型號說明:

產品來源于:http://www.rennang.cn/products-detail.asp?cpid=6
57ZYT系列直流有刷電機可替代進口EBM電機 BUEHLER電機產品技術參數:
|
標準型號 Part Number |
Unit |
57ZYT01 |
57ZYT02 |
57ZYT03 |
|
額定力矩 Rated Torque |
N.m |
0.15 |
0.28 |
0.38 |
|
轉動慣量 Rotor Inertia |
Kg.cm2 |
0.27 |
0.43 |
0.53 |
|
總長度 Total Length(L) |
mm |
101.6 |
127 |
140 |
|
重量 Weight |
Kgs |
1 |
1.4 |
1.9 |
57ZYT系列直流有刷電機可替代進口EBM電機 BUEHLER電機產品性能參數:
|
不同繞線參數 Winding Option |
Unit |
57ZYT01L2 |
57ZYT02L2 |
57ZYT03L2 |
|
額定電壓 Rated Voltage |
V |
24 |
24 |
24 |
|
空載轉速 No load Speed |
rpm |
3380 |
3200 |
3630 |
|
空載電流 No load Current |
A |
0.45 |
0.5 |
0.7 |
|
額定轉速 Rated Speed |
rpm |
3000 |
2600 |
3100 |
|
額定電流 Rated Current |
A |
2.85 |
5 |
7.4 |
|
額定功率 Rated Output |
W |
47 |
75 |
125 |
|
反電勢常數 Back Emf |
V/Krpm |
7.1 |
7.5 |
6.6 |
更多服務咨詢:EBM電機 BUEHLER電機