





產品分類
Product Category您的位置: 首頁 > 產品中心 > 76ZYTJ系列直流齒輪電機
* 76ZYTJ系列直流齒輪電機直徑76mm電機,行星齒輪設計
* 絕緣等級F,耐高溫155度
* 使用進口靜音軸承,更長的適用壽命
* 使用高磁性能材料,代替同等功率有刷電機,尺寸更小,壽命更長
* 行星齒輪設計,采用磨齒工藝更加低噪音以及特長壽命
* 可選裝各種驅動器、編碼器等,適合不同的自動化設備應用
* 76ZYTJ系列直流齒輪電機(蝸輪電機)可代替進口電機:AMETEK MCG PITTMAN
* 76ZYTJ系列直流齒輪電機廣泛應用于各種送料系統、邊刷機械、環保機械等
性能參數
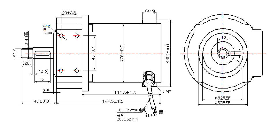
外形尺寸
定制說明
上一個:122ZYTJ系列直流齒輪電機
下一個:82SWB系列無刷直流電機
聯系方式
contact us地址:無錫市濱湖區胡埭工業園北區聯合路10號A1棟
手機:15335200825(吳建群)
電話:0510-85581922
傳真:0510-85582300
關注我們
QR COdE